
ລາຍລະອຽດຂອງສິນຄ້າ
| ຂໍ້ດີ: | ຄວາມໄວສູງ | ຄວາມໄວປ້າຍ ກຳ ກັບ: | 60-200pcs / ນາທີ |
|---|---|---|---|
| ໜ້າ ທີ່: | ປ້າຍຕິດສະຕິກເກີ້ | ເອກະສານ: | ສະແຕນເລດ |
| ປະເພດຂວດ: | ຂວດປ້າຍຂວດມົນອັດຕະໂນມັດ | ຄຳ ຮ້ອງສະ ໝັກ: | ສຳ ລັບທຸກຊະນິດຂອງຖັງບັນຈຸກົມ |
| ຍີ່ຫໍ້ Plc: | MITSUBISHI (ຍີ່ປຸ່ນ) | ມໍເຕີ້ປ້າຍລົດ Servo: | DELTA (ໄຕ້ຫວັນ) |
ເຄື່ອງ ໝາຍ ປ້າຍເຫລົ້າທີ່ເຮັດຈາກເຫລົ້າທີ່ເຮັດຈາກເຫລົ້າທີ່ເຮັດແກ້ວປ້າຍສີແດງ, ລະບົບການຄວບຄຸມ PLC ເຄື່ອງຈັກປ້າຍຊື່ຍີ່ຫໍ້ MITSUBISHI
ຄຸນລັກສະນະ:
1. ການ ດຳ ເນີນງານ: ລະບົບຄວບຄຸມ PLC ເຮັດໃຫ້ເຄື່ອງຈັກຕິດປ້າຍງ່າຍຕໍ່ການ ດຳ ເນີນງານ
2. ວັດສະດຸ: ຮ່າງກາຍ ສຳ ຄັນຂອງເຄື່ອງປ້າຍແມ່ນເຮັດດ້ວຍເຫຼັກສະແຕນເລດ SUS304
3. ການຕັ້ງຄ່າ: ເຄື່ອງຈັກປ້າຍ ກຳ ກັບຂອງພວກເຮົາຮັບຮອງເອົາສ່ວນຍີ່ຫໍ້ຍີ່ປຸ່ນ, ເຢຍລະມັນ, ອາເມລິກາ, ເກົາຫຼີຫຼືໄຕ້ຫວັນ
4. ຄວາມຍືດຫຍຸ່ນ: ລູກຄ້າສາມາດເລືອກທີ່ຈະເພີ່ມເຄື່ອງພິມແລະເຄື່ອງລະຫັດ; ສາມາດເລືອກທີ່ຈະເຊື່ອມຕໍ່ກັບ converyer ຫຼືບໍ່.
ພາລາມິເຕີດ້ານວິຊາການ:
| ຊື່ | ຂວດເຫລົ້າທີ່ເຮັດແບບອັດຕະໂນມັດ ສຳ ລັບເສອແຂນໄວທີ່ນ້ອຍລົງເຄື່ອງຈັກຂວດຮອບຂວດ |
| ຄວາມໄວປ້າຍ ກຳ ກັບ | 60-350pcs / ນາທີ |
| ຄວາມສູງຂອງວັດຖຸ | 30-350 ມມ |
| ຄວາມ ໜາ ຂອງວັດຖຸ | 20-120 ມມ |
| ຄວາມສູງຂອງປ້າຍ | ຂະ ໜາດ 5-180 ມມ |
| ຄວາມຍາວຂອງປ້າຍ ກຳ ກັບ | ຂະ ໜາດ 25-300mm |
| ປ້າຍພາຍໃນເສັ້ນຜ່າສູນກາງ | ຂະ ໜາດ 76mm |
| ປ້າຍລວດລາຍນອກເສັ້ນຜ່າກາງ | ຂະ ໜາດ 420mm |
| ຄວາມຖືກຕ້ອງຂອງການຕິດສະຫຼາກ | ± 1 ມມ |
| ການສະ ໜອງ ພະລັງງານ | 220V 50 / 60HZ 3.5KW |
| ການບໍລິໂພກອາຍແກັສຂອງເຄື່ອງພິມ | 5Kg / m2 (ຖ້າເພີ່ມເຄື່ອງລະຫັດ) |
| ຂະ ໜາດ ຂອງເຄື່ອງປ້າຍ | 2800 (L) × 1650 (W) × 1500 (H) ມມ |
| ນ້ ຳ ໜັກ ຂອງເຄື່ອງປ້າຍ | ຂະ ໜາດ 180 kg |
ການຕັ້ງຄ່າ
| ບໍ່. | ພາກສ່ວນ | ຍີ່ຫໍ້ | ປະລິມານ |
| 1 | ປກສ | MITSUBISHI (ຍີ່ປຸ່ນ) | 1 |
| 2 | ຕົວປ່ຽນຫຼັກ | DANFOSS (ເດນມາກ) | 1 |
| 4 | HMI | WEINVIEW (ໄຕ້ຫວັນ) | 1 |
| 5 | ມໍເຕີ້ປ້າຍ servo | DELTA (ໄຕ້ຫວັນ) | 1 |
| 6 | ຄົນຂັບລົດປ້າຍ servo | DELTA (ໄຕ້ຫວັນ) | 1 |
| 7 | ມໍເຕີ Conveyor | HY (ໄຕ້ຫວັນ) | 1 |
| 8 | ເກຍມໍເຕີມໍເຕີ | HY (ໄຕ້ຫວັນ) | 1 |
| 9 | ແບ່ງມໍເຕີຂວດ | GPG (ໄຕ້ຫວັນ) | 1 |
| 10 | ແບ່ງເກຍມໍເຕີຈັກຂວດ | GPG (ໄຕ້ຫວັນ) | 1 |
| 11 | ຂວດແຍກຄວາມໄວຂອງມໍເຕີ | GPG (ໄຕ້ຫວັນ) | 1 |
| 12 | ມໍເຕີ້ທີ່ເວົ້າ | GPG (ໄຕ້ຫວັນ) | 1 |
| 13 | ເກຍມໍເຕີມໍເຕີ | GPG (ໄຕ້ຫວັນ) | 1 |
| 14 | ວັດຖຸກວດພົບຕາ magic | OMRON (ປະເທດຍີ່ປຸ່ນ) | 1 |
| 15 | ໃຍແກ້ວນໍາແສງ | OMRON (ປະເທດຍີ່ປຸ່ນ) | 1 |
ລາຍລະອຽດຂອງເຄື່ອງ:

32 ພາກສ່ວນເຄື່ອງຈັກຕິດປ້າຍຫຼັກ

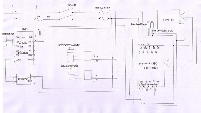
ແຜນວາດວົງຈອນ

FAQ:
1.label ໄດ້ຮັບຟອງ
ເຫດຜົນ:
①ປອກເປືອກກະດານບໍ່ດີ / ບໍ່ຮາບພຽງ;
board ແຜ່ນກະດານຕົບແຕ່ງບໍ່ດີ / ບໍ່ຮາບພຽງ;
output ຜົນຜະລິດຂອງການຕິດສະຫຼາກແມ່ນໄວເກີນໄປຫຼືຄວາມໄວຂອງເສັ້ນປະກອບຕ່ ຳ ເກີນໄປ;
④ປ້າຍຖືກດຶງເກີນໄປ
ວິທີແກ້ໄຂ:
①ປ່ຽນແຜ່ນແປນທີ່ລຽບ;
②ປ່ຽນກະດານຖ່ານ;
ເຮັດໃຫ້ຄວາມໄວໃນການຜະລິດປ້າຍຊື່ຊ້າຫຼືເພີ່ມຄວາມໄວຂອງເສັ້ນສາຍປະກອບ;
④ສົ່ງຜົນກະທົບໃສ່ສາຍແອວຂອງປ້າຍຢ່າງຖືກຕ້ອງ.
Tag: ເຄື່ອງຈັກຕິດສະຫຼາກອຸດສາຫະ ກຳ, ເຄື່ອງປ້າຍຂວດແກ້ວ









